SKF轴承 29413E 球面滚子推力轴承
SKF轴承 29413E 球面滚子推力轴承

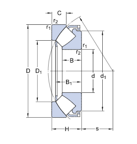
SKF球面滚子推力轴承拥有特殊设计的滚道和不对称滚子。 SKF轴承可以承受沿一个方向作用的轴向载荷和同时作用的径向载荷。 载荷在滚道之间通过与轴承轴线成一定角度的滚子传递,而挡边引导滚子。

d |
65 mm
|
内径 |
---|---|---|
D |
140 mm
|
外径 |
H |
45 mm
|
公称高度 |
d1 |
≈ 120 mm
|
轴圈末端侧面外径 |
D1 |
≈ 91.5 mm
|
外圈肩部直径 |
B |
29.5 mm
|
轴圈宽度或轴圈孔径长度要适合轴圈(带有铁质保持架的轴承) |
B1 |
39.8 mm
|
轴圈+ 保持架高度 |
C |
22 mm
|
座圈高度 |
s |
42 mm
|
轴承外圈末端侧面到压力点距离 |
r1,2 |
min. 2 mm
|
轴圈倒角尺寸 |

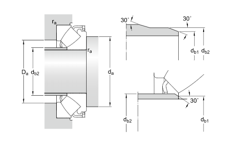
da |
min. 100 mm
|
轴挡肩直径 |
---|---|---|
db1 |
max. 72 mm
|
隔圈挡肩尺寸 ( E 设计轴承) |
db2 |
max. 72 mm
|
隔圈挡肩尺寸 ( E 设计轴承) |
Da |
max. 117 mm
|
轴承座挡肩尺寸 |
ra |
max. 2 mm
|
倒角半径 |
SKF球面滚子推力轴承 29413E 数据计算
C |
455 kN
|
基本额定动载 |
---|---|---|
C0 |
1 080 kN
|
基本额定静载 |
Pu |
137 kN
|
疲劳载荷限值 |
2 600 r/min
|
参考转速 | |
4 800 r/min
|
极限转速 | |
A |
0.11
|
最小轴向载荷系数 |
SKF球面滚子推力轴承 29413E 质量
3.2 kg
|
质量轴承 |